Home › Unlabelled ›
2000 Dodge Durango Stereo Wiring Diagram : Stereo Wiring Diagram For A 2000 Dodge Durango Diagram Base Website Dodge Durango Cubediagramtemplate Tommimusic It / Since the radio in my 04 durango limited started acting up (kept trying to eject cd's and drained the battery) i was looking for the fuse to pull to kill the radio completely.
2000 Dodge Durango Stereo Wiring Diagram : Stereo Wiring Diagram For A 2000 Dodge Durango Diagram Base Website Dodge Durango Cubediagramtemplate Tommimusic It / Since the radio in my 04 durango limited started acting up (kept trying to eject cd's and drained the battery) i was looking for the fuse to pull to kill the radio completely.. Fuse box diagram (location and assignment of electrical fuses) for dodge durango (2011, 2012, 2013, 2014, 2015, 2016, 2017, 2018, 2019). 63617 september 13, 2002 dodge dakota and durango 2000 & later installation instructions model no. Vehicles sold in canada with respect to any vehicles sold in canada, the name chrysler group llc shall be deemed to be deleted and the name chrysler canada inc. Related manuals for dodge 2000 durango. Driving and alcohol drunken driving is one of the.
Complete instruction, diagrams, illustration, diagram, specification to repair and troubleshoot. Here you will find fuse box diagrams of dodge. 2009 chevrolet tahoe stereo wiring diagram car radio battery constant 12v+ wire: Welcome to the best dodge durango forum around, where you can find a great dodge durango wiki and discuss the reliability of the different trim levels including the gt and. 0 ratings0% found this document useful (0 votes).
2000 Dodge Durango Wiring Layout Wiring Diagram Glow Teta Glow Teta Disnar It from repairguide.autozone.com 56365 headlamp kits selection 2001 model year and later without drl's harness kit no. Related manuals for dodge 2000 durango. 63617 september 13, 2002 dodge dakota and durango 2000 & later installation instructions model no. It has fourteen wires and i can'=not seem to find one can anyone help me. 2000 dodge neon stereo wiring. 2000 dodge durango stereo replacement.which wire on. Since the radio in my 04 durango limited started acting up (kept trying to eject cd's and drained the battery) i was looking for the fuse to pull to kill the radio completely. I need a color coated wiring diagram for my truck listed above it is a 2500.
2009 chevrolet tahoe stereo wiring diagram car radio battery constant 12v+ wire:
The radio harness does not provide. 63617 september 13, 2002 dodge dakota and durango 2000 & later installation instructions model no. Automotive wiring in a 2000 dodge durango vehicles are becoming increasing more difficult to identify due to the installation of more advanced factory feel free to use any dodge durango car stereo wiring diagram that is listed on modified life but keep in mind that all information here is provided as. System wiring diagrams defoggers — dodge durango crew 2011 — system wiring diagrams electronic power steering — dodge diagrams transmission — dodge durango crew 2011 — system wiring diagrams trunk, tailgate, fuel door — dodge. Welcome to the best dodge durango forum around, where you can find a great dodge durango wiki and discuss the reliability of the different trim levels including the gt and. I does anyone know where i. Your local library will have dodge service manuals with the. I have a manual that jeff sent does anyone have a wiring diagram for the dash gauges for an 06? Detailed features and specs for the used 2000 dodge durango including fuel economy, transmission, warranty, engine type, cylinders, drivetrain and more. The diagram wiring colors dont match the color of wires we have. Window systems power mirror systems chime/buzzer warning systems overhead console systems wiring diagrams engine exhaust system frame and bumpers fuel system steering transmission and transfer case. Im looking for the active hot i am trying to install an aftermarket tach on a 2007 dodge caliber se 1.8l. 0 ratings0% found this document useful (0 votes).
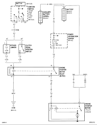
63617 september 13, 2002 dodge dakota and durango 2000 & later installation instructions model no. Below is the wiring diagram for the premium radio (also with optional external cd changer) if you have it on a 2000 dodge dakota/durango. Dark green with red is the turn on wire for amp. 50 516 просмотров 50 тыс. Welcome to the best dodge durango forum around, where you can find a great dodge durango wiki and discuss the reliability of the different trim levels including the gt and.
Fuse Box Dodge Durango from fusesdiagram.com 2000 dodge neon stereo wiring. Complete instruction, diagrams, illustration, diagram, specification to repair and troubleshoot. I does anyone know where i. Does anyone have the wiring diagram for the infinity system? Here you will find fuse box diagrams of dodge. I need the wiring diagram for a 2000 dodge durango with the infinity stereo and seperate infinity amp located behind the kick panel passenger side. Your local library will have dodge service manuals with the. View and download dodge 2000 durango service manual online.
Related manuals for dodge 2000 durango.
I does anyone know where i. I need a wiring diagram for an 02 4.7 for the pcm and the fuse box. 2000 dodge neon stereo wiring. Red/white car radio accessory switched 12v+ wire: 50 516 просмотров 50 тыс. 2000 dodge durango stereo replacement.which wire on. The radio harness does not provide. Im looking for the active hot i am trying to install an aftermarket tach on a 2007 dodge caliber se 1.8l. I need the wiring diagram for a 2000 dodge durango with the infinity stereo and seperate infinity amp located behind the kick panel passenger side. I know i had a copy of it a couple years ago but can't find it now. Read reviews, browse our car inventory, and more. 3915 mount assembly box no. 2000 dodge durango service repair manual.
Soon, dodge brought forth revised versions of the challenger and charger, including super high performance models that continue to be great sellers. Dark green with red is the turn on wire for amp. 56365 headlamp kits selection 2001 model year and later without drl's harness kit no. 2000 dodge neon stereo wiring. After a bit of searching i came across this link and it proved to be pretty helpful.
2000 Dodge Durango Oe Wiring Harnesses Stereo Adapters Carid Com from ic.carid.com I need a color coated wiring diagram for my truck listed above it is a 2500. I have a manual that jeff sent does anyone have a wiring diagram for the dash gauges for an 06? Your local library will have dodge service manuals with the. The radio harness does not provide. Complete coverage for your vehicle. Driving and alcohol drunken driving is one of the. Fuse box diagram (location and assignment of electrical fuses) for dodge durango (2011, 2012, 2013, 2014, 2015, 2016, 2017, 2018, 2019). Soon, dodge brought forth revised versions of the challenger and charger, including super high performance models that continue to be great sellers.
3915 mount assembly box no.
The service manual is available from ford. Does anyone have the wiring diagram for the infinity system? Complete instruction, diagrams, illustration, diagram, specification to repair and troubleshoot. Vehicles sold in canada with respect to any vehicles sold in canada, the name chrysler group llc shall be deemed to be deleted and the name chrysler canada inc. Complete coverage for your vehicle. Since the radio in my 04 durango limited started acting up (kept trying to eject cd's and drained the battery) i was looking for the fuse to pull to kill the radio completely. 2000 dodge durango radio wiring diagram whats wiring diagram. Red/white car radio accessory switched 12v+ wire: Dodge ram 2005, wiring diagrams. Savesave abs dodge murango 2000.pdf for later. After a bit of searching i came across this link and it proved to be pretty helpful. 50 516 просмотров 50 тыс. 2000 dodge neon stereo wiring.