2002 Chevy Cavalier Wiring Diagram - 2002 Chevy Cavalier Cooling System Diagram - Drivenheisenberg : 2002 chevrolet cavalier ls coupe fwd.. Orange car radio switched 12v+ wire: Free repair manuals & wiring diagrams. You can not see or smell co. I just need the diagram of the battery wiring system for a 97 chevy cavalier 2.2 l. Looking for a wiring diagram to be able to install an aftermarker radio in a 2002 chevy venture van.

The second generation of chevy. Fuse panel layout diagram parts: Chevrolet 2005 uplander electrical wiring diagram.pdf. Car radio constant 12v+ wire: All engines in 2002 cavalier have timing chains.gmjim i just purchased a 2002 cavalier with a dohc engine.

2002 Cavalier. Head lights and wipers will not work. Fuses ...
2002 Cavalier. Head lights and wipers will not work. Fuses ... from ww2.justanswer.com
You can not see or smell co. 1955 chevrolet car wiring diagrams 3 mb. Car radio constant 12v+ wire: Orange @ radio harness car stereo ground wire: 1989 chevy cavalier repair shop manual original click to. Free repair manuals & wiring diagrams. You can save this photo file to your individual computer. This is a nice book that i am searching for.

Ignition switch (the radio harness does not provide a switched power source.

Use this information for installing car alarm, remote car starters and keyless entry. Orange @ radio harness car stereo ground wire: 2004 chevrolet cavalier owner manual m. I have a 2002 cavalier 2.2 motor ( daughter car ) she stop at the store and when she came out it started and go in any gear but wont go any were. 1989 chevy cavalier repair shop manual original click to. Turn signal, back up lamp, engine relay, body control module, instrument panel, powertrain control module, ignition module, fuel pump, fuel injector, air bag, cruise control module, anti lock brake, accessory. View and download chevrolet 2003 cavalier owner's manual online. Looking for a wiring diagram to be able to install an aftermarker radio in a 2002 chevy venture van. Chevrolet chevy ii nova electrical wiring diagram 254 kb. I am looking for such this book for almost 2 days. 24 chevrolet car wiring diagrams. Left front speaker negative wire. Book online 2002 chevy cavalier repair manual free.

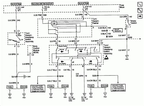
Need wiring diagram for 2002 chevrolet cavalier z24 when i do have it hooked up it shuts my dash gauges off and my theft system acts like it wants to stay on also there is 2 gray and 2 black wires. Chevrolet chevy ii nova electrical wiring diagram 254 kb. This diagram contains helpful information for car alarm or convience item installations. Thank you for sharing download chevy cavalier 2002 full wire diagram. 2003 cavalier wiring diagram | carlplant, size:

Chevrolet Cavalier (2002 - 2005) - fuse box diagram ...
Chevrolet Cavalier (2002 - 2005) - fuse box diagram ... from www.carknowledge.info
This diagram contains helpful information for car alarm or convience item installations. All engines in 2002 cavalier have timing chains.gmjim i just purchased a 2002 cavalier with a dohc engine. Black @ radio harness car radio ignition switched wire: 1997 chevrolet s10 ground distribution system 22l engine part 1 37 kb. 24 chevrolet car wiring diagrams. I am looking for such this book for almost 2 days. Car radio constant 12v+ wire: I have a 2002 chevy cavalier need help please 1 answer.

800 x 600 px, source:

69 chevrolet cavalier workshop, owners, service and repair manuals. 2002 chevy cavalier headunit audio radio wiring install diagram schematic colors. Begin by removing the wiring from the 2002 chevy cavalier neutral safety switch. Chevrolet cavalier/ z24 wiring diagram schematic. Chevrolet cavalier owner manual 2003 seats and restraint systems front seats rear seats safety belts child restraints air bag systems restraint system check features and controls. 2004 chevrolet cavalier owner manual m. It can cause unconsciousness and even death. pdf 2002 chevrolet cavalier of canada limited for chevrolet motor division whenever it appears in this manual. Compiled by chris hemer f or. The thermostat should be pos. Orange @ radio harness car stereo ground wire: 2003 cavalier wiring diagram | carlplant, size: If you must drive with the trunk lid open or if electrical wiring or other cable connections must pass through the seal between the body and the trunk lid

Looking for a wiring diagram to be able to install an aftermarker radio in a 2002 chevy venture van. Chevrolet service and repair manuals. Fuse panel layout diagram parts: Orange car radio switched 12v+ wire: We have 69 chevrolet cavalier manuals covering a these cavalier manuals have been provided by our users, so we can't guarantee completeness.

.2002-CHEVROLET-CAVALIERinstallation instructions.
.2002-CHEVROLET-CAVALIERinstallation instructions. from www.installer.com
Chevrolet chevy ii nova electrical wiring diagram 254 kb. February 26, 2019february 25, 2019. 800 x 600 px, source: I have a 2002 cavalier 2.2 motor ( daughter car ) she stop at the store and when she came out it started and go in any gear but wont go any were. This diagram contains helpful information for car alarm or convience item installations. Here are a few of the top illustrations we get from various resources, we hope these photos will certainly 2001 chevy impala radio wiring diagram to 2002 cavalier car lively, size: We have 69 chevrolet cavalier manuals covering a these cavalier manuals have been provided by our users, so we can't guarantee completeness. I think that it owuld have a belt instead of a chain.

Compiled by chris hemer f or.

Left front speaker negative wire. Collect all useful circuits for you. 230 1998 chevy cavalier ignition wiring diagram wiring. Chevrolet service and repair manuals. 1995 2005 chevrolet cavalier hose check 2002 chevrolet cavalier. Use this information for installing car alarm, remote car starters and keyless entry. 2004 chevrolet cavalier owner manual m. Wiring diagrams, spare parts catalogue, fault codes free download. I have a 2002 cavalier 2.2 motor ( daughter car ) she stop at the store and when she came out it started and go in any gear but wont go any were. If you don t see the audio radio wiring diagram you need comment and we will try to add it asap. 2002 chevy cavalier service manual pdf | owners manual 2002 chevy cavalier service manual pdf a number of people could request the urgency of manual books. The thermostat should be pos. 24 chevrolet car wiring diagrams.

By